KLIPSCH FORTE I and II
HISTORY and USE


 
During the pre-internet 1970s through the mid 1990s the only source of speaker information came from audiophile magazines, word of mouth, and dealer advice. Retailers such as Circuit City and Best Buy barely existed and audio stores tended to be small "mom and pop" salons. In addition, many dealers had a brand "exclusive" as the only store to carry a particular brand in their area. So if you were in the market for new speakers the process was that well-armed with your research you went store to store, talked to the experts, and spent time demoing different brands to find your favorite.

Popular speakers of the period were Polk Audio, Boston Acoustics, Mission, Infinity, Advent, & JBL. But despite their sound quality all were limited by the common bass-reflex design that only produced 87-91db @ 1 watt. Even with several hundred watts pushing them it was difficult to reach satisfying volumes. This was compounded by the widespread use of low-power (25-50 watt per channel) receivers on the market. So when CD players arrived in 1983 with digital response from 20HZ-20khz and a large 96db dynamic range people were in for a shock. On deep bass notes woofers would over-excurse and pop and when percussive music was turned up the receivers clipped and tweeters quickly burned out. At my stereo store I remember every Monday customers would bring in speakers with blown tweeters for repair after weekend parties.
 

 
 
 
Original Forte on the left, Forte II on the right
 

 
PAUL KLIPSCH was a legendary name in the audio field. Since 1946 his company in Hope, Arkansas had been well regarded for its highly-efficient speaker systems. By using a horn on the tweeter, midrange, and even woofers Klipsch speakers were capable of producing 98-104db using only one watt. This meant that a tiny receiver could reach volumes that would require several hundred watts on other speakers. Now known as the "Heritage Premium Audio" series, the original models the Klipschorn, Belle, La Scala, Cornwall & Heresy were capable of high performance but were aimed at a more Bohemian segment than the precise salon speakers favored by the audiophile crowd. Most magazines avoided reviewing Klipsch speakers considering them coarse and a common perception was that they had a "horn sound". Truthfully they averaged 50hz-17khz ± 5 db which even by 1980's standards was ragged. Loud yes, precise no.
 


 
 



  THE ORIGINAL FORTE
Emboldened by the clarity of the CD and the emergence of home theater and Dolby Surround, Klipsch went back to the drawing board and in 1985 the Forte was released. True to Klipsch speaker philosophy it had a horn tweeter and midrange and a sensitivity of 98db@1 watt. Time spent tuning it in an anechoic chamber resulted in a more desirable 32-20khz ± 3db. In a dealer's listening room it would leave customers laughing due to its clarity and effortless, powerful sound. Other dealers did their best to downplay Klipsch but found it difficult when comparing them to their own fragile salon models.

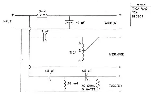
Klipsch advertising of the period pointed out that high sensitivity allowed a low powered receiver to be used. However the opposite was true too. Using a high-wattage amp the Forte produced amazing results with powerful deep bass and startling slam. CDs with EDM or pipe organ would literally shake the building. Dealers knew this and it was common to pair them with large Hafler or Adcom amplifiers on the showroom floor. In 1989 I bought a new set of Black Lacquer Fortes and had the rear labels signed by Paul Klipsch at the factory. The crossover is installed inside the rear of the jack panel. A large iron core inductor is on the woofer and an air core inductor on the tweeter. Capacitors were blue KSC (King Sun) mylars and one KSC electrolytic on the woofer. An interesting factoid is that the midrange was wired out of phase compared to the tweeter and woofer. This is sometimes done on long midrange horns to maintain signal alignment.

A transformer is used on the midranges of the Heritage model speakers to match volume instead of using a resistor. Paul Klipsch maintained as far back as the 1950s that using a transformer to reduce output was better sonically and electrically than a resistor. His tests showed transforming the signal instead of "padding it down" resulted in better peak dynamics and increased the damping factor at the amp.


STEREO REVIEW MAGAZINE, JULY 1986

Stereo Review magazine was mainstream and owned by CBS. It's monthly issues reviewed many popular products making it one of the only sources of a Klipsch Forte I review.

"The room response was one of the widest and smoothest we've ever measured varying only ±2db from 230hz to 20khz, the Forte's low frequency distortion was by far the lowest we have ever measured from a speaker. Its distortion and sensitivity measurements are so outstanding that comparison with most other speakers is impossible."
 

 
 

 
EXOTIC WOOD VENEERS
Largely forgotten is that Klipsch speakers were once available in a wide variety of wood veneers. Macassar ebony, zebrawood, rosewood, teak, cherry, oak oil, oak lacquer, walnut oil, walnut lacquer, finished black, raw birch, and birch lacquer. Many dealerships displayed wood samples on the wall to let customers view and custom-order the veneers at an extra charge. The Klipsch factory would then install the woodgrain on the tops and sides so pairs of speakers would be "book-matched" to each other. Ultimately in a letter sent to its dealers around 1990 Klipsch cited concern over the responsible use of exotic woods from the rainforests and as a result retired the ebony, zebrawood, rosewood and teak veneers. After the exotic veneers were retired American woods such as oak, walnut, cherry and birch were still available.

After my dealership received the letter a friend working at another ordered the last set of Macassar Ebony Fortes from Klipsch and still uses them in his home theater. Their beautiful finish invokes the days when Paul Klipsch sat in Hope, Arkansas and walked through his factory inspecting the assembly line.
 

 
 

  FORTE II
By the late 1980s digital audio and home theater was in full-swing and Klipsch products were perfectly placed to take advantage. In 1989 Klipsch retired the original Forte and released an updated version called simply the Forte II. Height and width were identical but the cabinet was 1/4" deeper. The rear passive radiator had been increased from 12" to 15" and a new 12" front woofer was used. It retained the same tweeter but most significant was a new large-throat midrange called the "Tractrix" intended to produce a wider soundfield. Both models were rated to take 100 watts continuous but the Forte II carried a new spec of "500 watts peak". Frequency response was the same but sensitivity had increased to 99db/1 watt. The crossover values were slightly different. An invisible change was that the rubber grommets that held the grill on had been replaced with magnets.

In 1991 I bought a new set of Forte IIs directly from the Hope Arkansas factory. With the exotic veneers no longer in production I decided on a set in Oak Oil with brown grills. I was able to have Paul Klipsch sign these labels as well.
 
   
 
 

  CROSSOVER MODS
In the 2000s on my Forte I crossover I kept the stock values and switched out the film caps for Dayton 1% PPs, an audio-quality resistor, and upgraded the woofer's electrolytic capacitor. I also upgraded the tweeter coil to a larger gauge air coil. In 2008 I replaced the tweeter and midrange diaphragms with new factory versions to refresh them. I found the speakers clear and open with a natural, dynamic sound.
 

 
 

 
BELOW: My Forte II crossover came with a physically smaller iron core coil and transformer compared to the Forte 1. The board was lighter weight and oddly marked with Forte I values but with Forte II parts. Its as though Klipsch created a new board late in the Forte 1 production and carried it over Forte II as well. In the photo below I was experimenting with Dayton PPs and a modern electrolytic.
 

 

 
 

 

  Very interesting is a 40 ohm 5W resistor paralleled with the tweeter on both model Fortes. Rather than attenuate the tweeter to match the other drivers the purpose of a paralleled resistor is to suppress anomalies and distortion at the tweeter's Fs (resonant frequency). An Fs is typically an octave or so lower than a tweeter's rolloff and can add harshness to the output if unchecked. However, the factory resistor is marked with a "J" which makes it 5% tolerance, pretty sloppy in the 21st century. I measured mine and one was 40 ohms the other was 39.2, almost an ohm difference. Not earth shattering but I prefer components to be audio-grade and tightly matched. And what a great part to upgrade: a resistor in parallel with the tweeter.

I decided on the Mills MRA5 (5W) 1% resistor as a replacement. Vishay bought Mills in 2011 and moved the production to one of their own facilities so I trust the modern specs and quality. Check these out: "Non-magnetic and all welded constructions greatly enhance frequency response. Combined with non-inductive Ayrton-Perry winding the inductive reactance and signal loss are almost totally eliminated. Ideal for Audio Industry". I installed a matched pair of 39.6 ohms in place of the generic 30 year old factory resistors. I wasn't sure what to expect but the treble took on a purer tone with zero sizzle, grain, or fatigue even at extremely high volumes. It also opened up the soundstage.
 

 
MODERN MODS
Klipsch calibrated the crossovers based on the characteristics of mylar film caps, and designs like the Tractrix midrange reveal an effort to produce a specific voicing and response curve. While film caps don't generally age, todays construction techniques and materials are superior to what was available in 1990 which is a key reason to upgrade them during a restoration. But I worried that replacing the factory caps with low-ESR polypropylenes could alter the impedance and factory balance of the speaker.

So I was excited when I came across JEM Performance Audio. Working with Klipsch Chief Engineer Roy Delgado they produce capacitor kits advertised "to be from Klipsch factory inventory or Klipsch factory-approved for use in the vintage Heritage speakers". I have to admit the allure of restoring old-school speakers with modern-spec factory approved parts is pretty hard to deny. My Forte II kit arrived with stock values of 2.0uf, 1.5uf and 110uf electrolytics as it should. The MEA on the JEM films means metallized polyester which is a step up from the original KSC mylar types. Interestingly, over the past decade its been suggested that metallized polyester caps (PET) produce a more musical sound than PP, which can produce hyper-detail. The caps appear to be custom wound which means you should buy them from JEM to guarantee you get authentic Klipsch-approved versions. In case you wondered I found the new caps to produce an open dynamic sound with pure transients. The soundstage is very detailed, musical and correctly rendered. I don't think I could do better.

 
 

 

 
SO WHICH MODEL IS BETTER?


ORIGINAL FORTE

If you have never heard a Forte your first listen is an eyeopener. Its a broad, open, dynamic sound that seems to leap out of the cabinet. With a high power amplifier it produces a clear treble and an exciting, live effect. I find the bass deep and musical.

FORTE II
These have a different timbre than the original Forte due to the Tractrix midrange producing a more forward 3D effect. I find the Forte II to share the clear, taut sound of its big brother the Klipsch Chorus. The sound is open and natural and the speaker can play at higher volumes with less fatigue. The bass response is very potent and rated the same at 32hz but sometimes doesn't sound quite as deep as the Forte I. The Forte II was discontinued in 1996. Paul Klipsch passed away in 2002.

CONCLUSION
Either of the original Forte models will transform your home and the differences between them are not signicant enough to anguish over. It goes without saying that if you have a tube amp the high sensitivity of Klipsch speakers is a big plus.

The Forte line is now 30+ years old and in 2017 Klipsch reissued the speaker as the Forte III. Cabinet dimensions were nearly identical along with a horn tweeter, improved Tractrix midrange, 12" woofer and 15" rear passive radiator as before. Sensitivity was also the same at 99db/1 watt. Interestingly, the Forte III is essentially the same speaker as the II but is only rated down to 38hz. In 2021 the Forte IV was released boasting an "All new high fidelity network" (crossover). Photos show 2 coils and 2 caps on each driver implying this new crossover is a 4th order/24db Linkwitz-Riley design. I find it odd that Klipsch promotes this new crossover but says little about its sonic benefits or reason for upgrading it. Why be so mysterious? High-end speaker buyers are intensely interested in these things. If we're supposed to be impressed by reading about a new Forte crossover imagine how exciting it would be to know technical details of its design?
 




Datsunzgarage.us © 1997-2026

All mods are illustrative only, perform at your own risk.
Datsun is a registered trademark of Nissan®